Product description
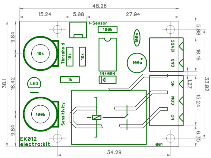
EK012 is a temperature or light activated relay and can be used for temperature control (thermostat) or as a light switch (dusk light) depending on which sensor is used. The sensor is sold separately and can be either an NTC resistor or a light dependent resistor (CdS) with a nominal value between 10 and 100 kohm. The threshold where the relay is activated can be set with one of the two board mounted potentiometers. The other potentiometer is used for trimming the load resistance for the sensor and should be set to roughly the same resistance as the sensor. To prevent the relay from entering an unstable state, a hysteresis is implemented. The hysteresis is set by the resistor R3. To reduce or completely remove the hysteresis, change the resistor to a higher value or omit the resistor. The connector for the sensor is a Molex KK 2.54mm. A mating connector with wires is sold separately (part.no. 41002820).
* Supply voltage: 12VDC
* Current draw: 41mA (relay active) / 2mA (relay inactive)
* Relay contact: 1-pole SPDT / 10A 250VAC, 10A 30VDC
* Dimensions: 48.26 x 38.1mm * Mounting holes: c-c 34.29 x 33.02mm, ø2.54mm
* Supply voltage: 12VDC
* Current draw: 41mA (relay active) / 2mA (relay inactive)
* Relay contact: 1-pole SPDT / 10A 250VAC, 10A 30VDC
* Dimensions: 48.26 x 38.1mm * Mounting holes: c-c 34.29 x 33.02mm, ø2.54mm
